易觅尔科技网为您介绍西门子SIEMENS的供暖、通风和空调 (HVAC) 产品组合提供了广泛的 HVAC 系统和产品,涵盖了每个应用领域和每种技术应用

全国咨询热线

400-960-1190转601

电动风门执行器GBB163.1E

西门子风阀执行机构GBB163.1E/GBB336.1E/GBB335.1E/GBB164.1E扭矩 25Nm风阀执行器 GBB...1GIB...1角行程,AC 24V/AC 230V 用于三位浮点和调节控制的电子式电机驱动的执行器,标称扭矩 25Nm (GBB) 或35Nm (GIB),自定心轴接头,,,0...90之间的机械可调节范围 之间的机械可调节范围,,,预接 ,预接 ...
联系电话:400-960-1190转601

产品详情

西门子风阀执行机构GBB163.1E/GBB336.1E/GBB335.1E/GBB164.1E扭矩 25Nm

风阀执行器 GBB...1GIB...1

角行程,AC 24V/AC 230V

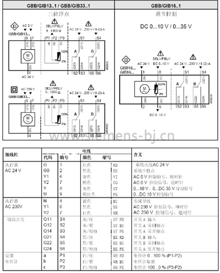
 用于三位浮点和调节控制的电子式电机驱动的执行器,

标称扭矩 25Nm (GBB) 或35Nm (GIB),自定心轴接头,,,0...90°°°之间的机械可调节范围 °之间的机械可调节范围,,,预接 ,预接 0.9m 长接线电缆。。。根据辅助功能不同,,有多种型号可选。。。可选辅助功能包括 :定位信号的的的偏移量与范围可 的偏移量与范围可调、阀位指示器 反馈电位计 、旋转角度范围自适应以及可调辅助开关。。。此技术资料提供这些执行器的简要概述。有关详细说明以及安全、工程注意事项、安装和试运行的信息,请参见基本文档 Z4626。

 用途 

• 适用于风阀面积最大可为 4m2 (GBB) 或 6m2 (GIB),取决于具体摩擦情况。

 • 适用于调节控制器 (DC 0...10 V) 或三位浮点控制器(例如用于室外风阀)。

• 用于在同一风阀轴上配备两个执行器的风阀(串联式安装执行器或电源组)。

 

适用于0~90°旋转的风阀,<3㎡的风阀适用于使用二位控制的0...90°旋转型号概览

西门子25NM系列风阀执行器,电动球阀执行器

无弹簧复位的电动旋转风阀执行器
额定转矩 25 Nm

型号列表:
GBB131.1E
GBB131.2E
GBB135.1E
GBB136.1E
GBB161.1E
GBB163.1E
GBB164.1E
GBB166.1E
GBB331.1E
GBB335.1E
GBB336.1E
GBB336.2E

25Nm 旋转风阀执行器 无弹簧复位
- 圆轴直径8..25.6 mm 方轴直径 6...18 mm 最短轴长20 mm 的自对中转轴适配器
- 带位置指示和可调机械限位器
- 脱档按钮 手动超迟控制
- 铸铝外壳和0.9 m 长连接电缆

技术参数表N4626
力矩25 Nm
风阀面积4 m2
角行程90 °
定位时间150 s
防护等级IP54
尺寸 ( 宽 x 高 x 长) 100 x 300 x 75 mm

德国西门子SIEMENS电动执行器 风阀执行器 电动风门执行器 GBB163.1E 驱动器德国西门子SIEMENS电动执行器 风阀执行器 电动风门执行器 GBB163.1E 驱动器

 

 

查看更多 >>

产品推荐

400-960-1190转601